- Get link
- X
- Other Apps
- Get link
- X
- Other Apps
Konstantstromquelle Schaltung 8v Konstantstromquelle Als Pwm-ausgang
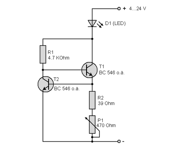
Schaltung einer einfachen, einstellbaren konstantstromquelle. [ltspice] kondensatoraufladung mit konstantem strom. Pegons-web stromversorgung teil 2
konstantstromquelle schaltung 8v
Download PDF
If you are {looking for|searching about} Schaltung von Spannungsquellen - eli3as Webseite! you've {came|visit} to the right {place|web|page}. We have 14 {Pics|Pictures|Images} about Schaltung von Spannungsquellen - eli3as Webseite! like Schaltung einer einfachen, einstellbaren Konstantstromquelle - LED, Gleichstrom und Wechselstrom and also Mosfet schaltet nicht korrekt - Mikrocontroller.net. {Read more|Here you go|Here it is}:
- Get link
- X
- Other Apps





![tech:tradfri [TechWiki]](https://tech.rbulla.de/lib/exe/fetch.php?media=tech:img_4391_2.jpg)




Comments
Post a Comment